全国空降快餐群
接待惠臨諸都會正一機器無限公司官方網站!
在線留言
|
接洽咱們
|
網站輿圖
諸都會正一機器無限公司
Zhucheng Zhengyi Machinery Co., LTD
天下游戲發賣電話: 138-6367-5570
網站首頁
郑州女王QQ群号2023最新消息: 對于咱們
郑州女王QQ群号2023最新消息: 公司先容
郑州女王QQ群号2023最新消息: 企業文明
接洽咱們
郑州女王QQ群号2023最新消息: 消息中間
公司靜態
行業消息
產物展現
郑州女王QQ群号2023最新消息: 朋分器
郑州女王QQ群号2023最新消息: 凸輪
心軸型【DS】
郑州女王QQ群号2023最新消息: 法蘭型【DF】
郑州女王QQ群号2023最新消息: 平板型【P】
平臺桌面型【DT】
超薄平臺桌面型【...
圓柱重負載型【BU...
利用實例
辦事中間
郑州女王QQ群号2023最新消息: 在線留言
接洽咱們
網站首頁
對于咱們
消息中間
產物展現
利用實例
辦事中間
在線留言
接洽咱們
產物展現
朋分器
凸輪
心軸型【DS】
法蘭型【DF】
平板型【P】
平臺桌面型【DT】
超薄平臺桌面型【DA】
圓柱重負載型【BU】
商談大家 Contact Us
諸都會正一機器無限公司
手機:13863675570
德律風:0536-6155536
傳真:0536-6537700
地點:諸都會密州街道薛館路中段
生成物能夠
您后面的地方:
首頁
產物展現
查看進行分類
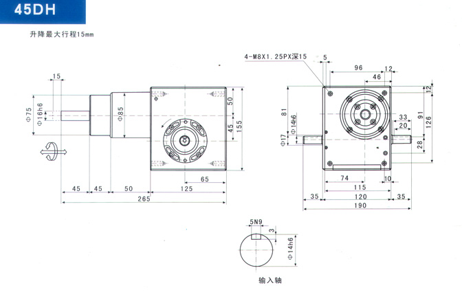
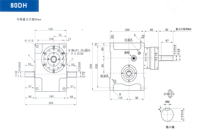
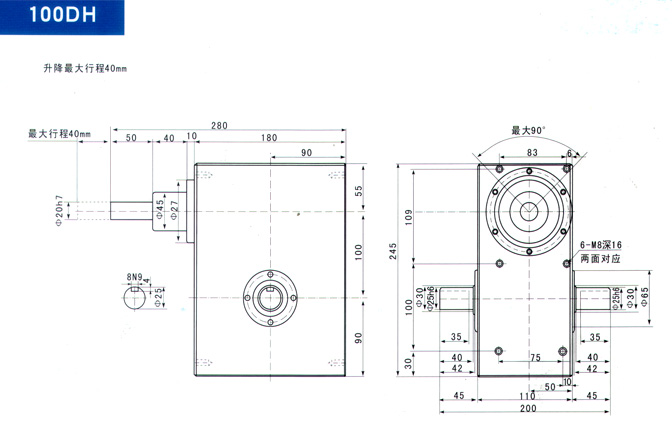
頂升分度機器
上一條:
超薄平臺桌面型朋分器
下一條:
圓柱重負載型朋分器
相干產物
朋分器
朋分器
朋分器
朋分器